市政府门户网站
|
关怀版
|
无障碍浏览
|
用户空间
|
@国务院 我来说
景德镇市商务局
首 页
政务资讯
政府信息公开
政务服务
政民互动
专题专栏
当前位置:
首页
>
政务公开
>
政府网站工作年报
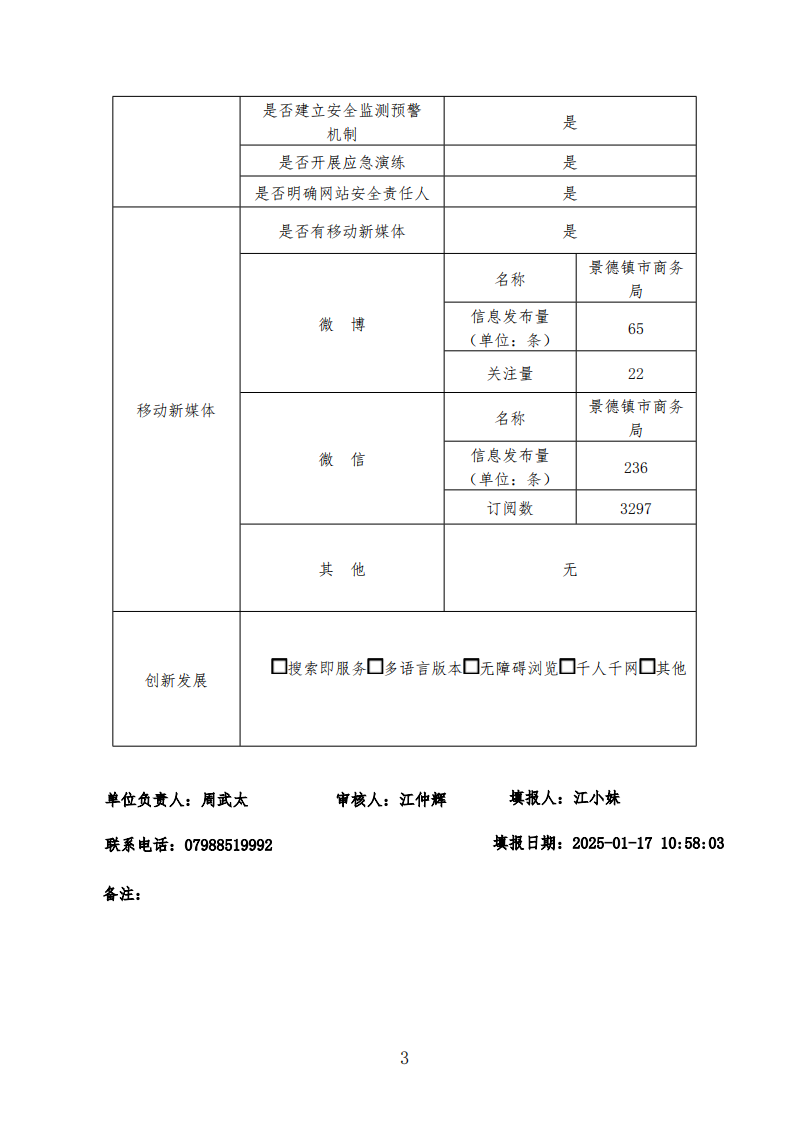
景德镇市商务局2024年政府网站年度报表
来源:行政办公室
发布时间:2025-01-17 11:12
访问量:
相关文档:
相关附件:
1008195
景德镇市商务局2024年政府网站年度报表
20
行政办公室
2025-01-17
389
政府网站工作年报